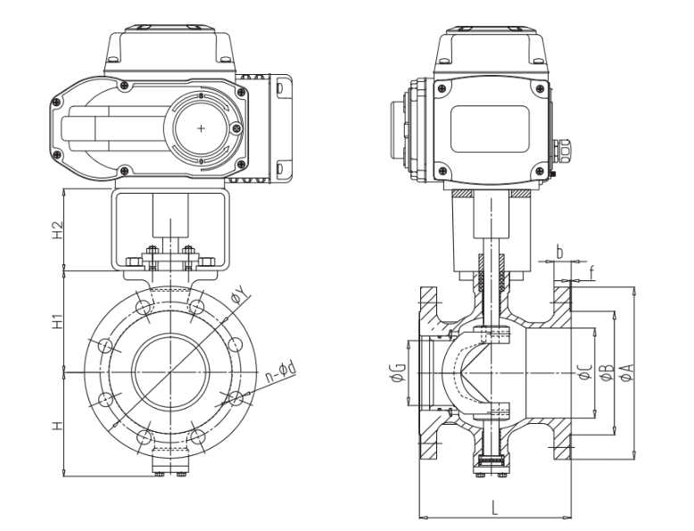
Electric V-Port Ball Control Valves are advanced flow control devices designed to provide exceptional accuracy and efficiency in fluid regulation. Unlike conventional ball valves, these specialized valves utilize a V-shaped ball core—available in various angles such as 15°, 30°, 45°, and 60°—to meet precise throttling requirements across different industrial applications. This innovative design allows for better modulation of flow rates, enabling smooth transitions and reducing pressure fluctuations within the system.
By integrating an electric actuator, these valves combine mechanical precision with intelligent automation, making them ideal for applications requiring accurate and consistent control. Commonly used in chemical processing, water treatment, power generation, HVAC systems, and other industrial sectors, the Electric V-Port Ball Control Valve ensures stable performance, even under varying flow or pressure conditions.
The hallmark of this valve lies in its V-port segmentation, which enhances flow linearity and enables fine-tuned control over liquid or gas movement. The actuator’s remote operation capability further improves efficiency, minimizes manual intervention, and allows operators to manage processes from centralized control systems—contributing to safer and more reliable plant operations.
Ball valves are quarter-turn valves that regulate the flow of liquids and gases within pipelines. They are among the most widely used valve types across industries because of their simple design, reliability, and ease of operation. The valve’s core component is a spherical ball with a central hole (the bore). When the valve handle or actuator rotates the ball by 90°, the bore aligns with the flow path to allow passage or turns perpendicular to stop flow.
While traditional ball valves are primarily used for on/off control, the V-Port Ball Valve is engineered for precise throttling—a capability typically associated with globe or control valves. The distinct V-shaped cut in the ball or seat allows gradual opening and closing, delivering better flow modulation and preventing sudden surges that could cause damage to downstream equipment.
Ball valves can be categorized by their port configurations:
A full port (or full bore) valve has a bore diameter equal to the connected pipe. This design allows unrestricted flow with minimal friction loss, making it ideal for applications requiring maximum throughput. Since there is no reduction in flow area, pressure drops are negligible, and flow characteristics remain linear.
In a standard port valve, the bore is smaller than the pipe’s inner diameter, causing slight resistance to flow. These valves are more compact and cost-effective than full port designs, suitable for systems where minor flow reduction is acceptable.
Reduced port valves have even smaller bores, typically one size smaller than the connecting pipe. The restricted passage increases fluid velocity through the valve, which can be beneficial in certain throttling or mixing applications.
V-port valves incorporate a V-shaped notch in either the ball or the seat, allowing for more controlled flow regulation. As the valve opens, the flow area expands progressively, providing precise metering and eliminating the abrupt flow changes typical of standard ball valves. This makes V-port ball valves ideal for process control applications where accurate flow modulation is critical.

At the heart of the electric V-port valve is the segmented ball—a uniquely shaped component engineered for controlled flow characteristics. When paired with an electric actuator, the valve transitions smoothly between fully closed and fully open positions, or anywhere in between, according to the control signal received.
The electric actuator replaces manual handles or pneumatic systems, enabling fully automated operation. These actuators convert electrical signals into mechanical torque, precisely adjusting the ball’s position to regulate flow. Depending on process requirements, actuators can function in ON/OFF mode or modulating mode.
Opens or closes the valve completely. Common in applications where flow is either fully allowed or completely stopped.
Provides precise positioning of the ball between 0° and 90°, allowing fine control of flow rate. These actuators can be controlled via analog input signals (typically 4–20mA or 0–10V), making them compatible with modern control systems like PLCs and DCS units.
In addition to standard designs, electric actuators can also be customized for special operating environments—including underwater, explosion-proof, and fail-safe configurations. Fail-safe actuators are equipped with a spring-return or backup power system that automatically returns the valve to a safe position during power loss, ensuring operational safety in critical applications.
The V-shaped ball segment ensures superior flow modulation, allowing precise throttling across a wide flow range. This design reduces turbulence, improves flow linearity, and offers excellent repeatability even under variable pressure or temperature conditions.
The integrated electric actuator enables automated valve operation, facilitating remote monitoring and control. This eliminates manual effort, minimizes human error, and enhances process reliability—especially in large-scale or hazardous environments.
Electric V-port ball valves are typically constructed from high-strength materials such as stainless steel (CF8M/CF3M), carbon steel (WCB), or duplex stainless steel, ensuring durability and resistance to corrosion, abrasion, and high pressure. The combination of hard-coated trims and advanced sealing materials enhances performance even with abrasive or viscous fluids.
Thanks to the segmented ball design, these valves handle both low-flow and high-flow applications with equal precision. This versatility allows them to serve multiple roles—ranging from simple shut-off to sophisticated flow regulation.
The valve seat is designed for tight shut-off, minimizing leakage and maintaining system integrity. Depending on process needs, soft or metal-seated options can be selected for compatibility with various media and operating conditions.
The modular design allows easy disassembly for cleaning, inspection, or replacement. The segmented design also minimizes wear on the seat and ball, reducing downtime and extending operational lifespan.
The V-port configuration ensures accurate flow modulation, achieving high control accuracy and repeatable performance.
Fully compatible with digital and analog control systems, enabling integration into automated industrial networks.
Stable flow control reduces energy consumption and process variability, improving overall system efficiency.
The wear-resistant segmented design and electric actuation reduce mechanical stress, extending maintenance intervals.
Electric actuators offer fail-safe options, remote operation, and quick response, enhancing safety in demanding environments.
Suitable for handling liquids, gases, slurries, and corrosive media across diverse applications such as:
Chemical and petrochemical plants
Water and wastewater treatment
Power generation
Food and beverage production
HVAC and building automation
Pulp and paper industries
Electric V-port ball valves excel in processes where precise flow control and automation are essential. They are particularly advantageous in:
Used to control the flow of acids, solvents, and other reactive fluids with high precision. Their corrosion-resistant materials and tight sealing prevent leaks and contamination.
Regulates flow rates in filtration systems, chemical dosing, and wastewater recycling. The automated control feature ensures stable operation even during fluctuating demand.
Suitable for flow modulation in refineries and pipelines where accuracy and reliability are critical for process optimization.
Used in boiler feedwater control, cooling systems, and steam distribution lines, offering excellent resistance to temperature and pressure variations.
Ideal for applications requiring sanitary design, smooth flow paths, and precise dosing of ingredients or chemicals.
While pneumatic actuators are commonly used in industrial control, electric actuators offer distinct advantages:
|
Feature |
Electric Actuator |
Pneumatic Actuator |
|
Power Source |
Electricity |
Compressed Air |
|
Control Precision |
High (modulating control possible) |
Moderate (dependent on air quality) |
|
Installation |
Simple (no air lines required) |
Requires air compressor and piping |
|
Maintenance |
Low |
Higher (air leaks, filter maintenance) |
|
Response Speed |
Moderate |
Fast |
|
Environmental Suitability |
Excellent for remote and clean installations |
Better for high-speed applications |
Electric V-port ball valves are preferred in facilities with reliable electrical infrastructure and automation systems, while pneumatic types are favored in high-speed or explosion-prone environments.
The Electric V-Port Ball Control Valve represents the perfect combination of mechanical engineering precision and modern automation technology. Its segmented V-port design provides unparalleled flow control accuracy, while the electric actuator delivers convenience, safety, and operational reliability.
By offering multiple customization options—including material selection, actuator types, and port angles—these valves can be tailored to meet specific application requirements across industries. Whether used for throttling in chemical plants, regulating cooling systems in power stations, or maintaining precise dosing in water treatment facilities, Electric V-Port Ball Valves ensure consistent performance and long-term dependability.
As industries continue to embrace automation and intelligent process control, the Electric V-Port Ball Control Valve stands out as an essential component for efficient, precise, and sustainable flow management in the modern industrial landscape.
